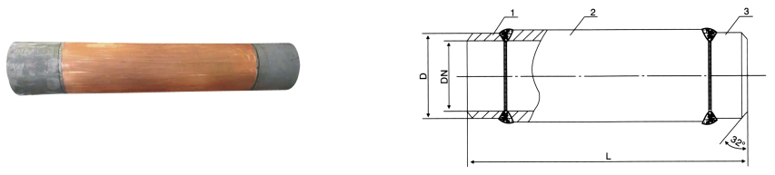
| 序 号 | 1 | 3 | 2 | |||||||||
| 零件名称 | 接管段 | 阻管段 | ||||||||||
| 材料 | 0Cr18Ni9Ti: 1Cr18Ni9Ti;20; |
T1:T2; TU1;TU2;B10; |
||||||||||
| 序号 | 公称通径 DN(mm) |
D (mm) |
L (mm) |
序号 | 公称通径 DN(mm) |
D (mm) |
L (mm) |
序号 | 公称通径 DN(mm) |
D (mm) |
L (mm) |
|
| 1 | 15 | 18 | 600 | 8 | 80 | 89 | 600 | 15 | 350 | 377 | ||
| 2 | 20 | 25 | 9 | 100 | 108 | 700 | 16 | 400 | 426 | 700 | ||
| 3 | 25 | 32 | 10 | 125 | 133 | 17 | 450 | 486 | 900 | |||
| 4 | 32 | 38 | 11 | 150 | 159 | 18 | 500 | 540 | 900 | |||
| 5 | 40 | 48 | 12 | 200 | 219 | 19 | 600 | 650 | 900 | |||
| 6 | 50 | 57 | 13 | 250 | 273 | |||||||
| 7 | 65 | 76 | 14 | 300 | 325 | |||||||
| 序号 | 公称通径 DN(mm) |
D (mm) |
L (mm) |
序号 | 公称通径 DN(mm) |
D (mm) |
L (mm) |
序号 | 公称通径 DN(mm) |
D (mm) |
L (mm) |
|
| 1 | 15 | 18 | 1600 | 8 | 80 | 89 | 1700 | 15 | 350 | 377 | ||
| 2 | 20 | 25 | 9 | 100 | 108 | 16 | 400 | 426 | ||||
| 3 | 25 | 32 | 10 | 125 | 133 | 17 | 450 | 486 | 2000 | |||
| 4 | 32 | 38 | 11 | 150 | 159 | 18 | 500 | 540 | 2000 | |||
| 5 | 40 | 48 | 12 | 200 | 219 | 19 | 600 | 650 | 2000 | |||
| 6 | 50 | 57 | 13 | 250 | 273 | |||||||
| Z | 65 | 76 | 1700 | 14 | 300 | 325 | ||||||